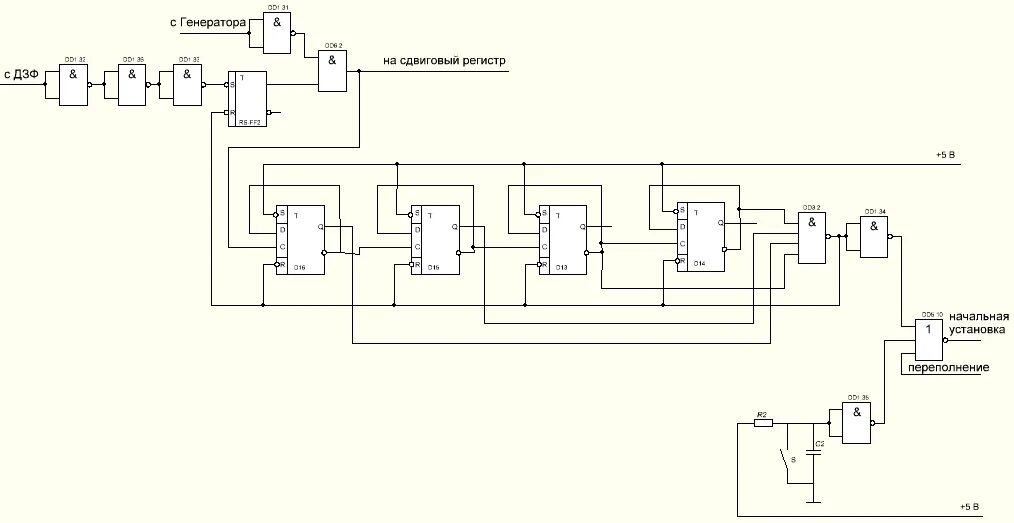
Генератор проектов