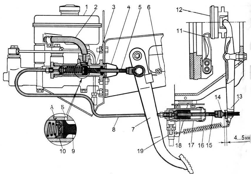
Гидропривод сцепления