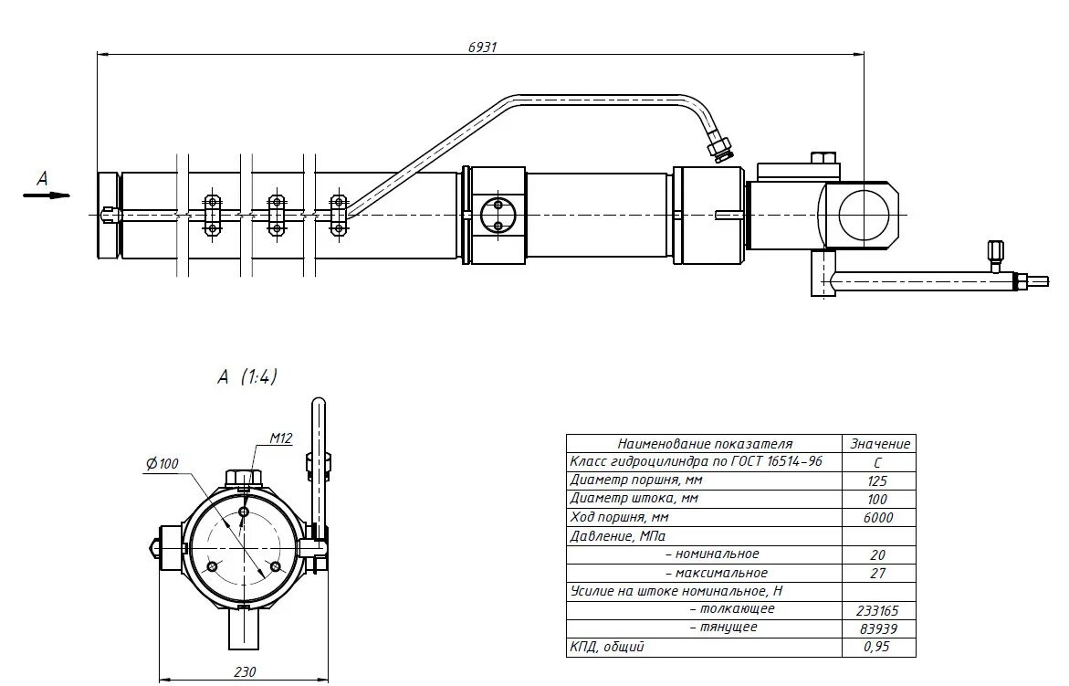
Гидроцилиндр 800