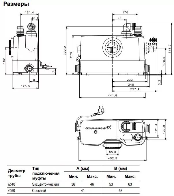
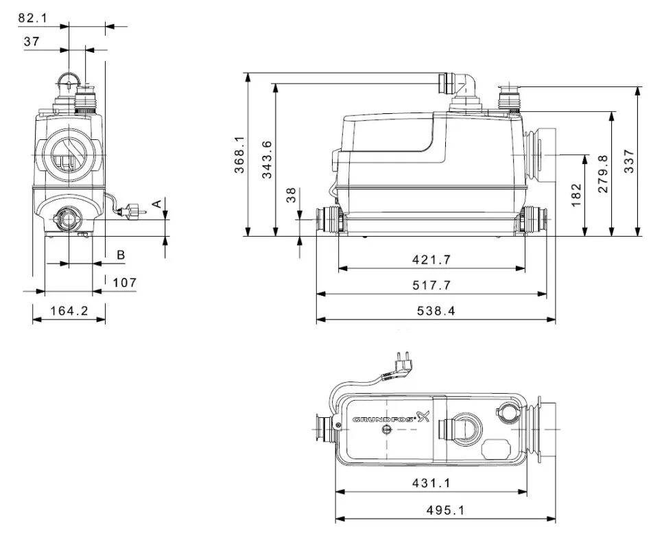
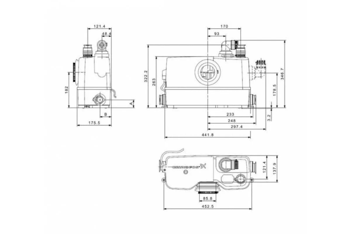
Grundfos wc 2