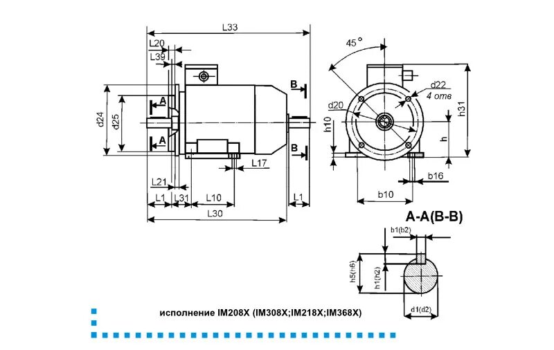
Im 2 10 in