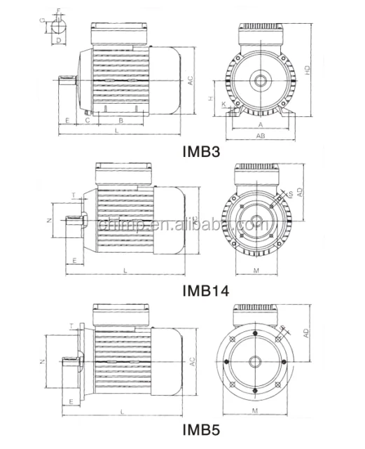
Имб 3