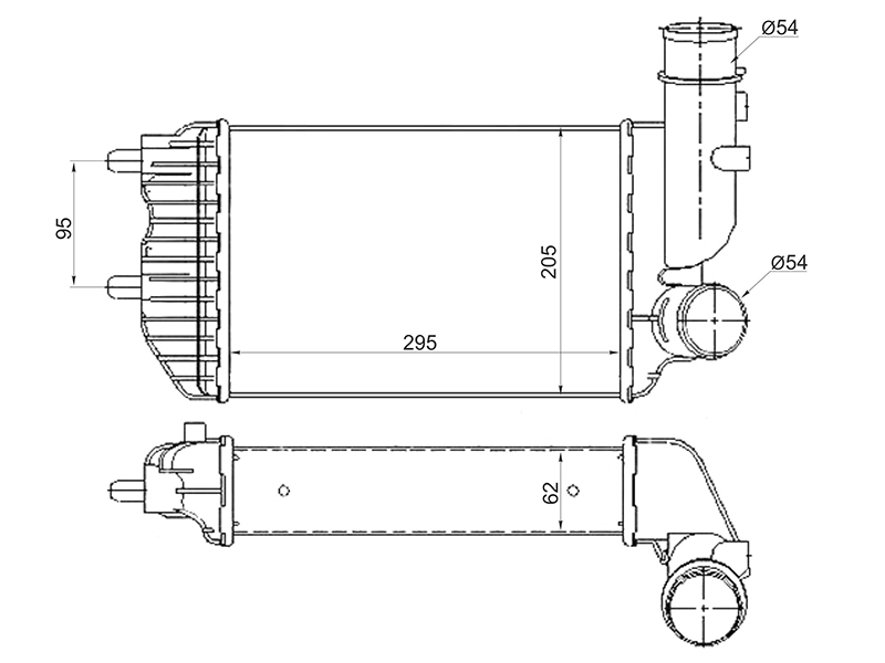
Интеркулер джампер