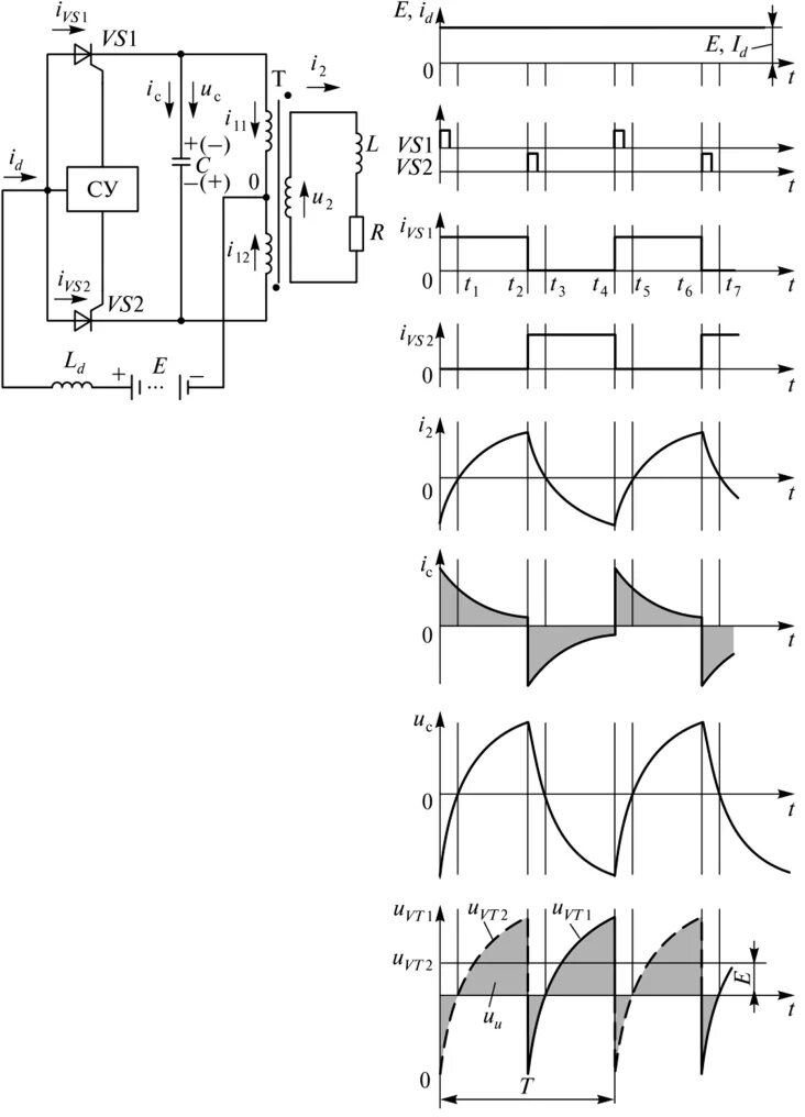
Инвертор принцип