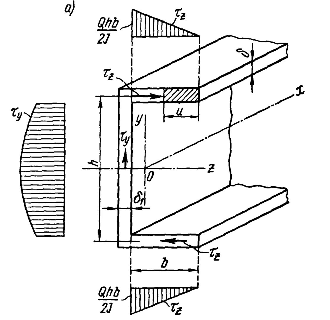
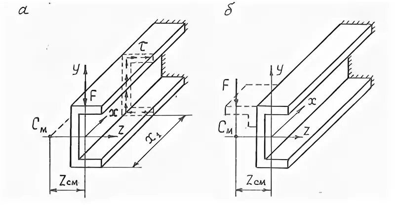
Изгиб швеллера