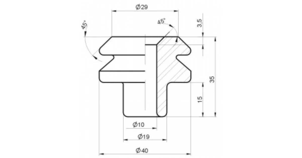
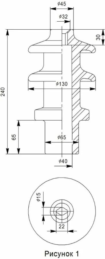
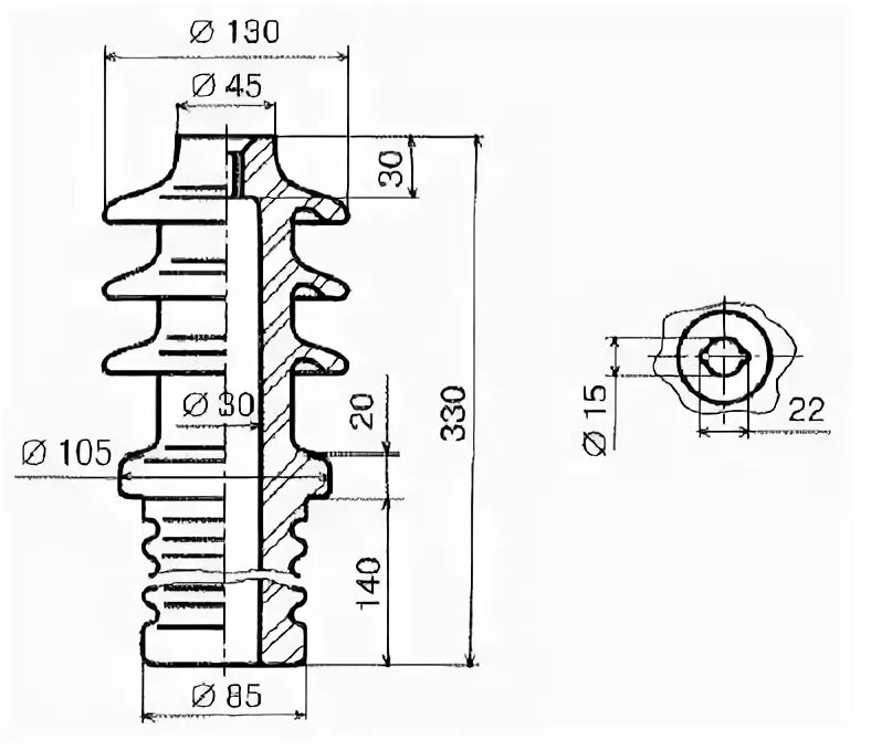
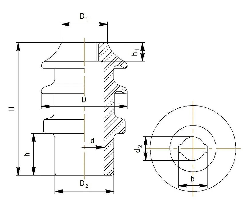
Изолятор ипт 6