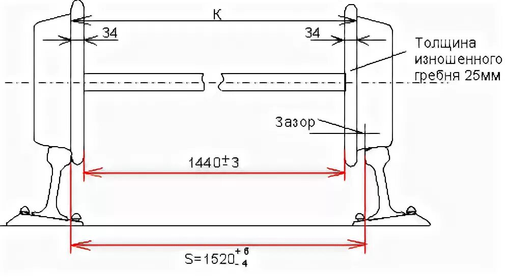
Как определить ширину рельсовой колеи