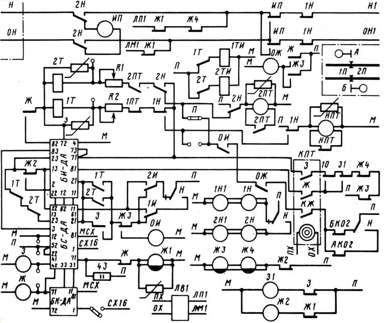
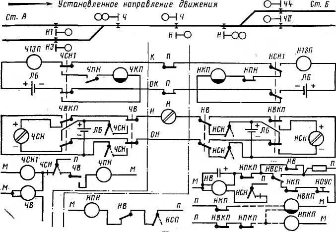
Как осуществляется смена приборов схемы смены направления