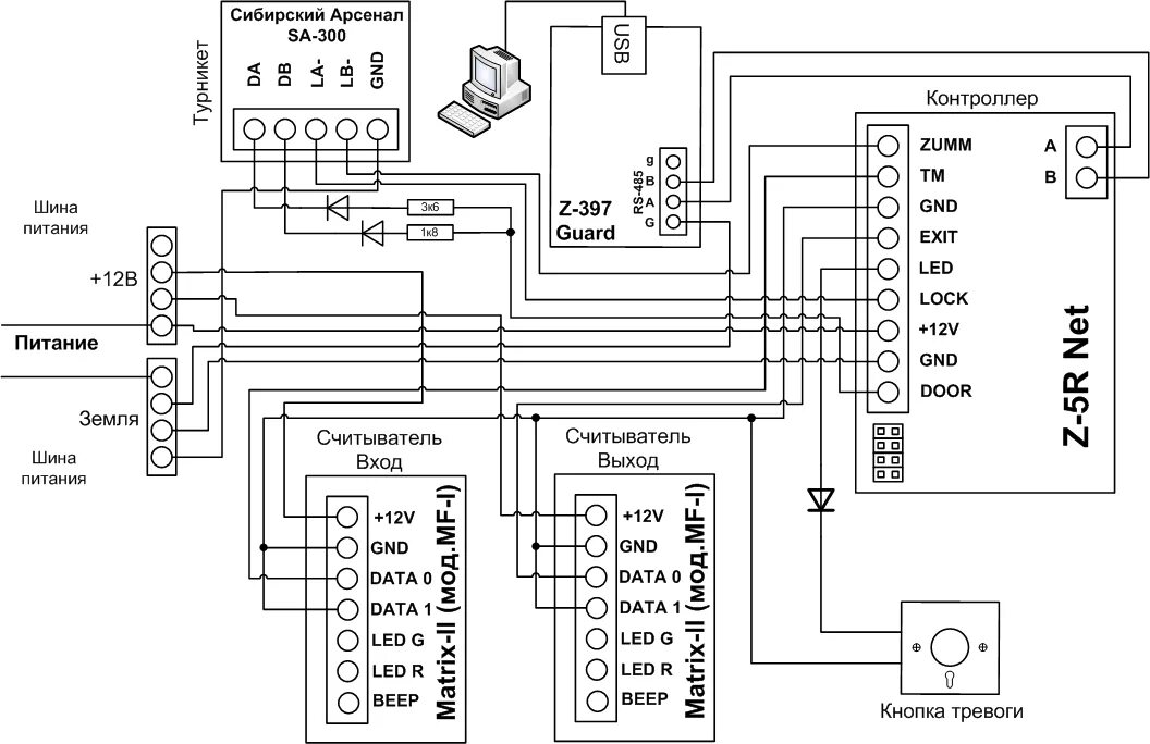
Как подключить турникет