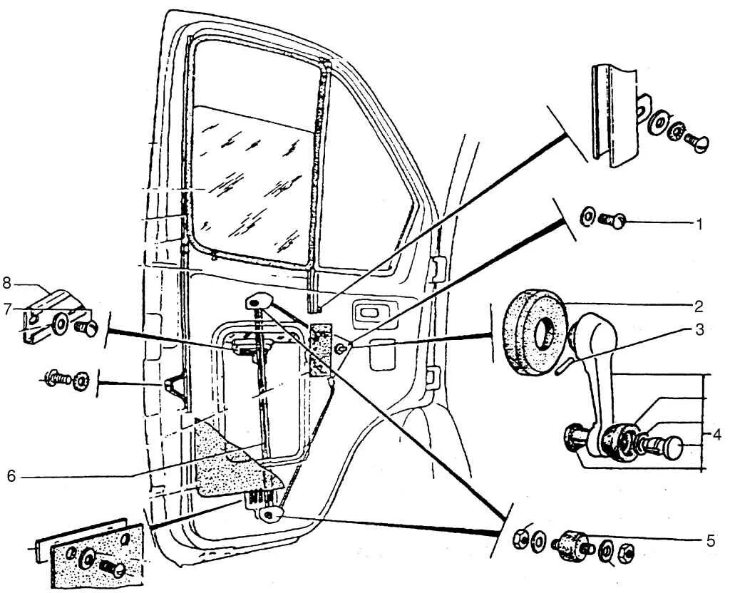
Как поменять дверь на газели