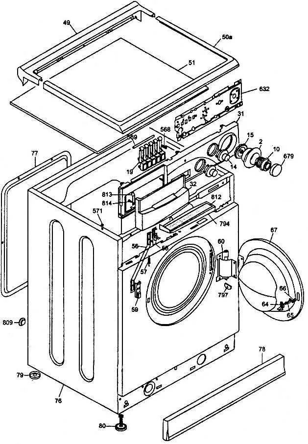
Как разобрать стиральную машинку автомат