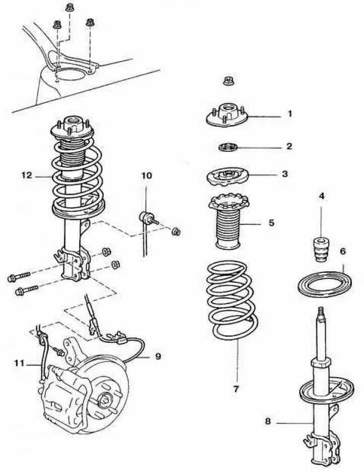
Как собирается задний