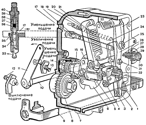
Как уменьшить подачу