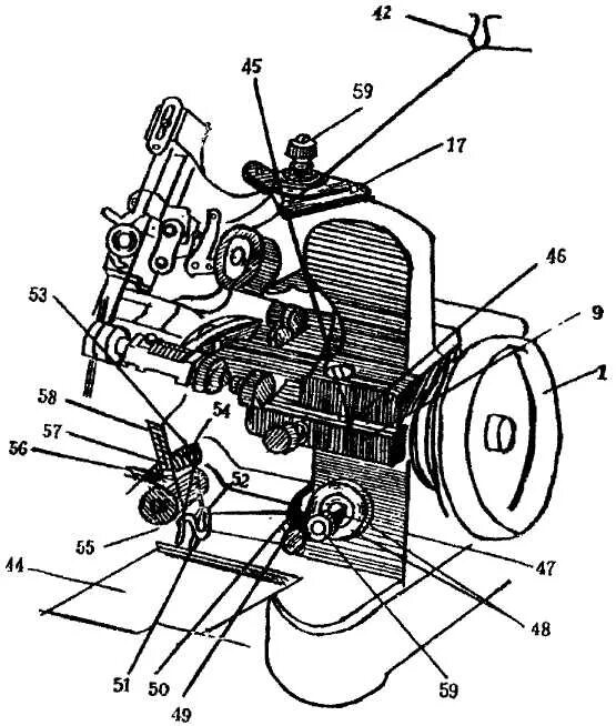
Как заправить трехниточный оверлок