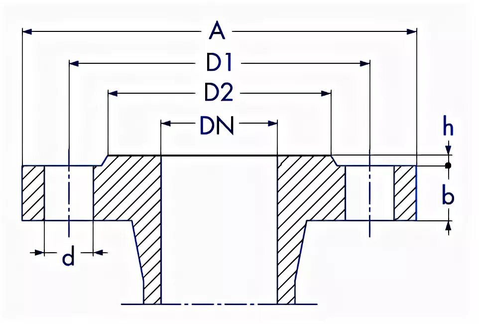
Какие размеры фланцев