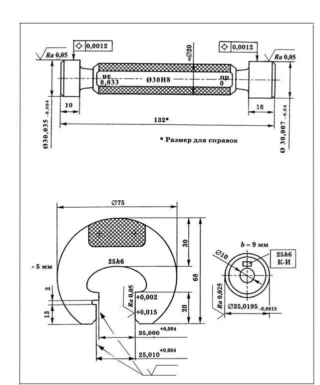
Какой длины пробка