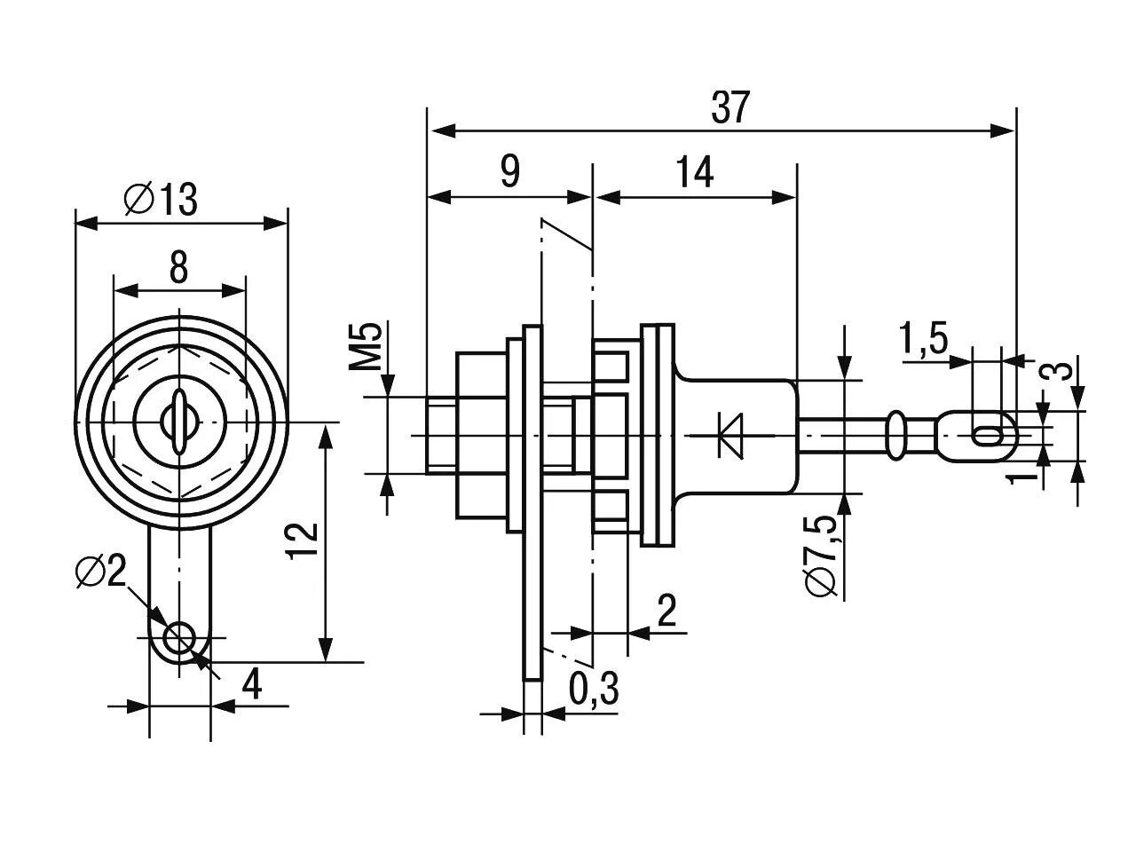
Кд202 характеристики диода