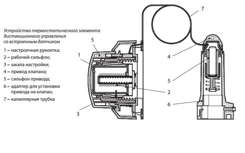
Клапан терморегулятора принцип работы