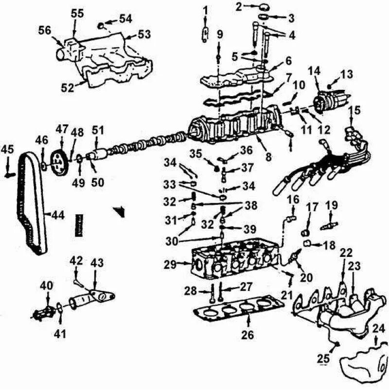
Клапана двигателя нексии