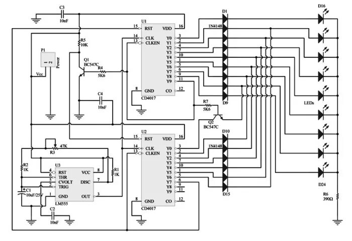
Knight 80 настройка