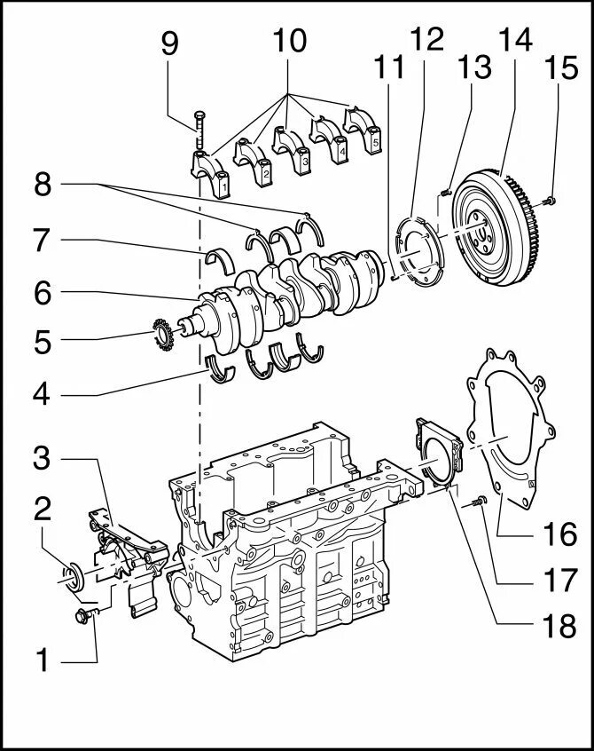
Коленвал как прикрутить