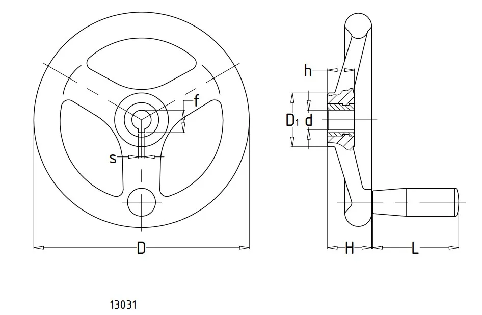
Колесико регулировки