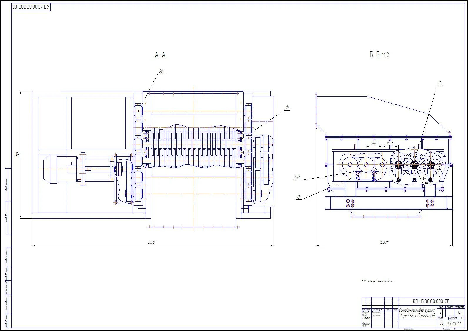
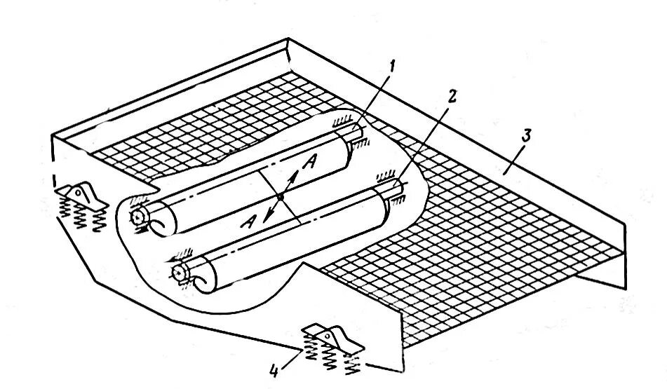
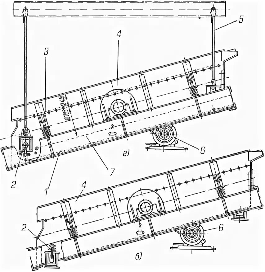
Конструкция грохота