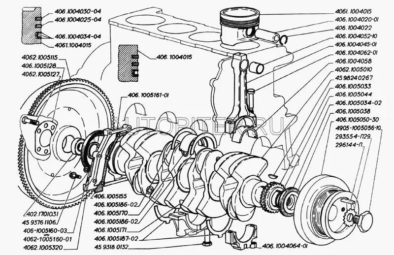
Коренные змз 402