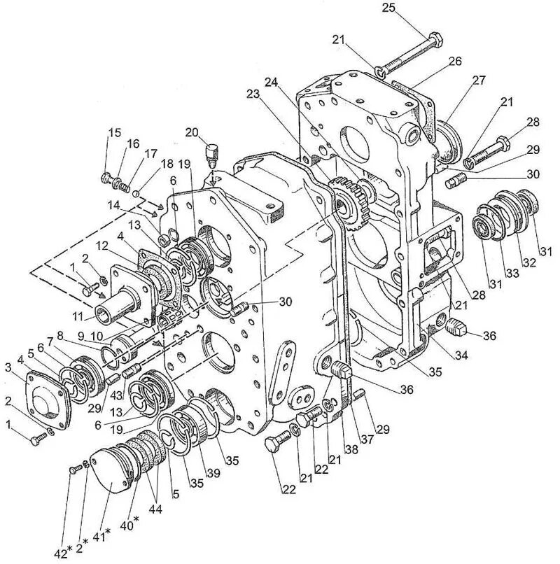
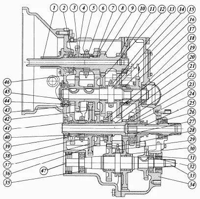
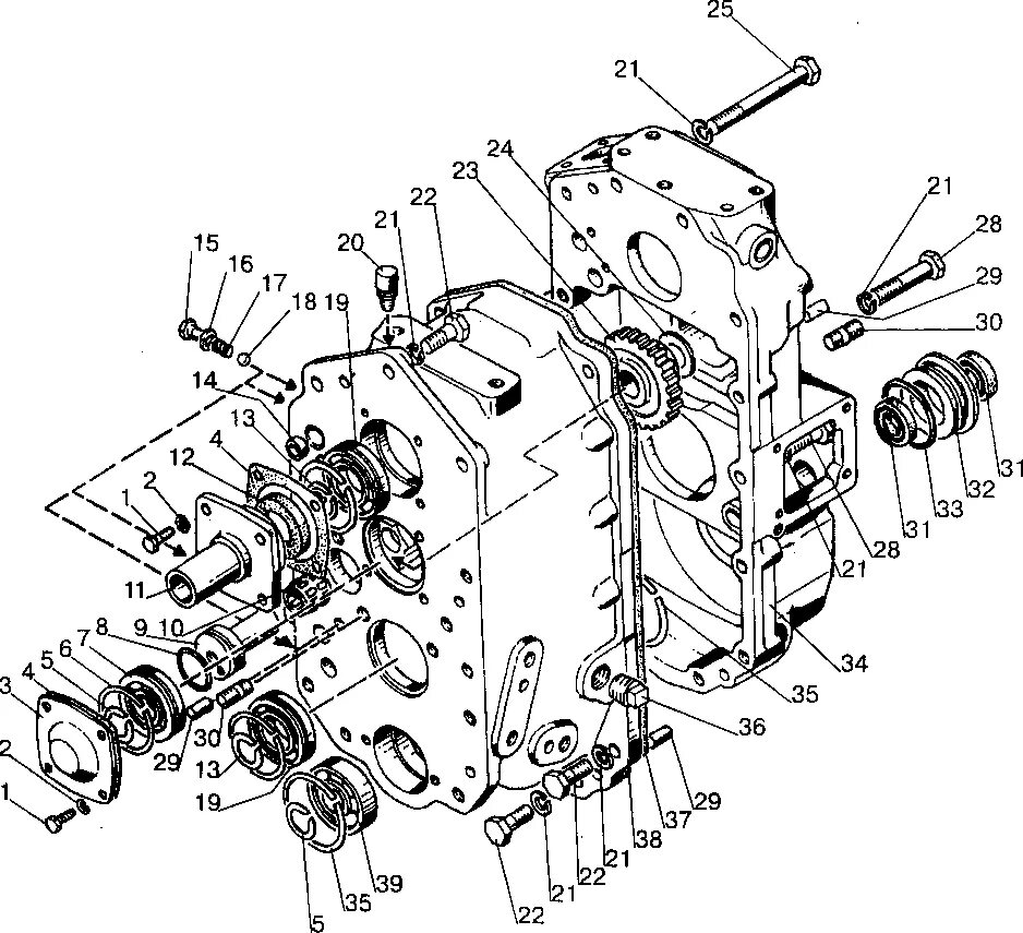
Коробка мтз 320