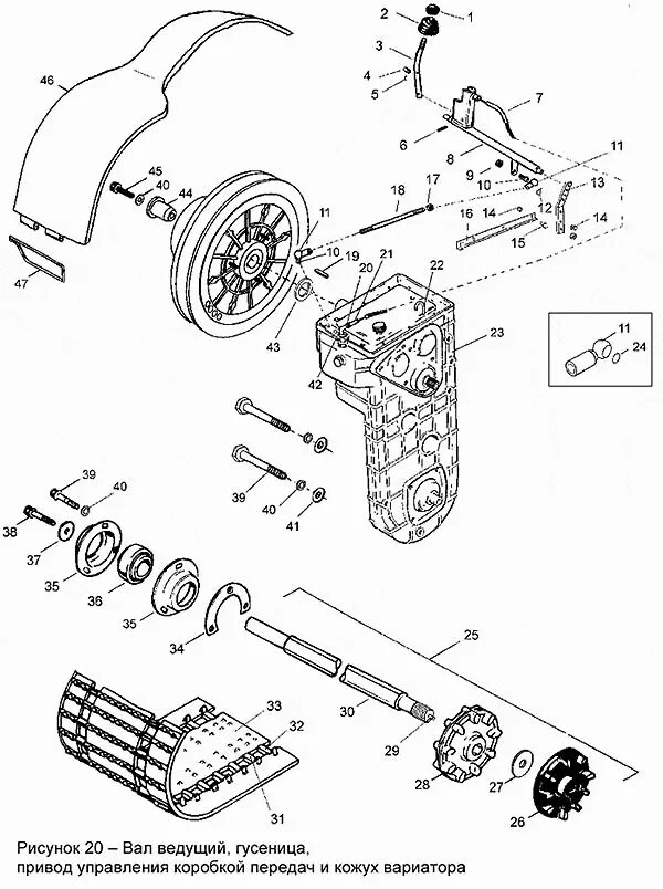
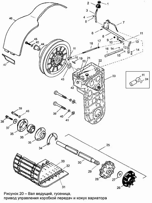
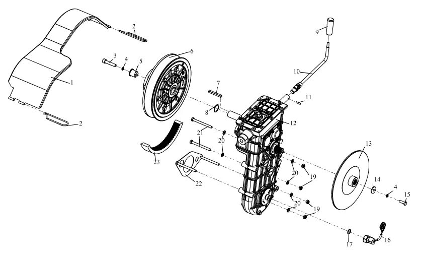
Коробка тайга 500