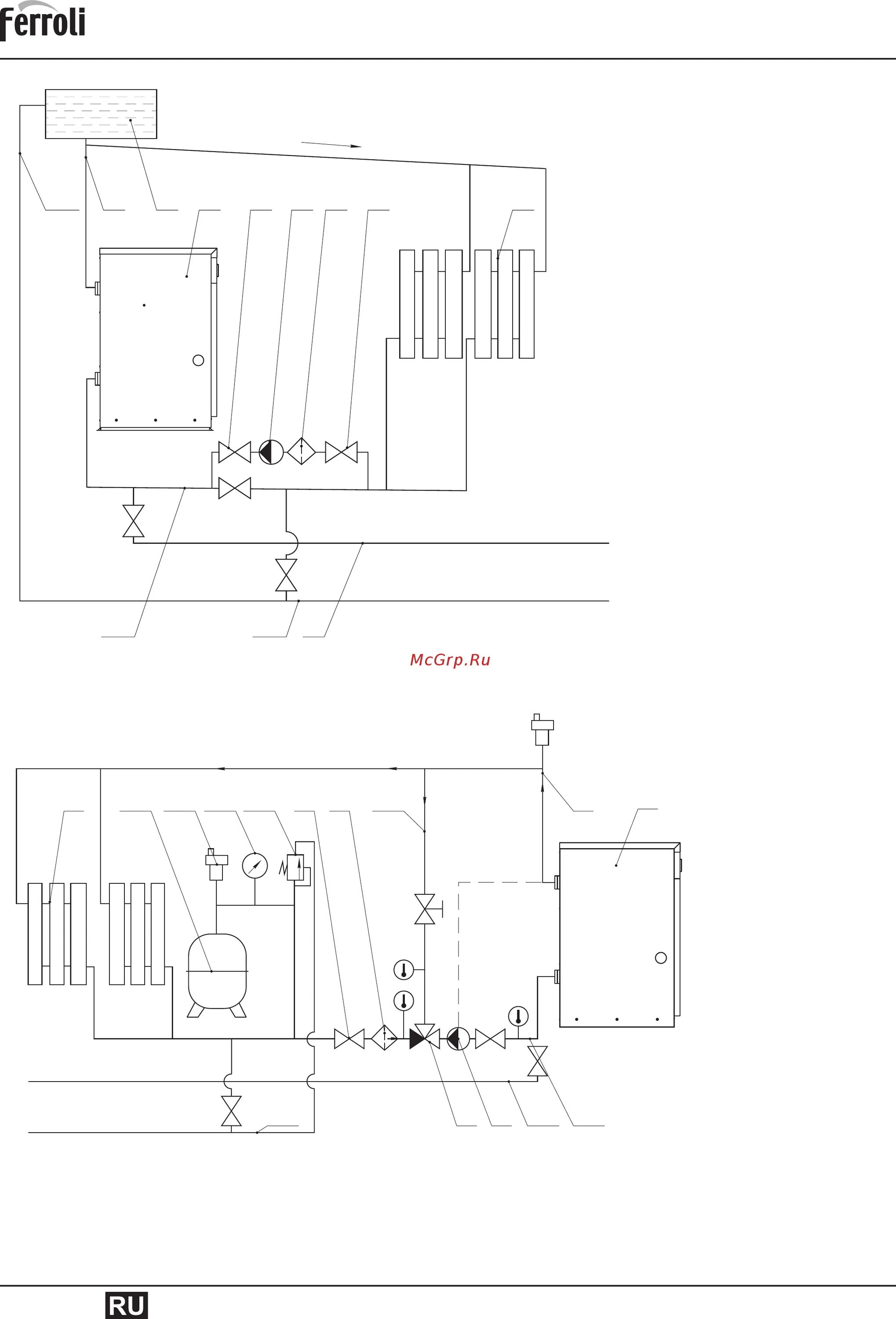
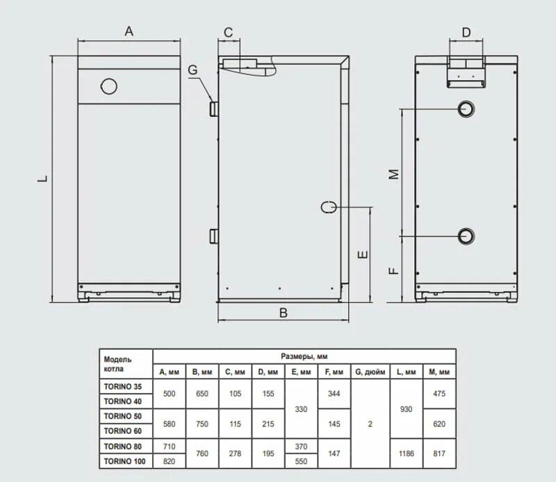
Котел ferroli torino 10