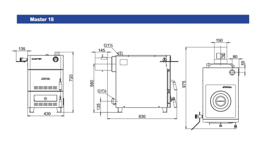
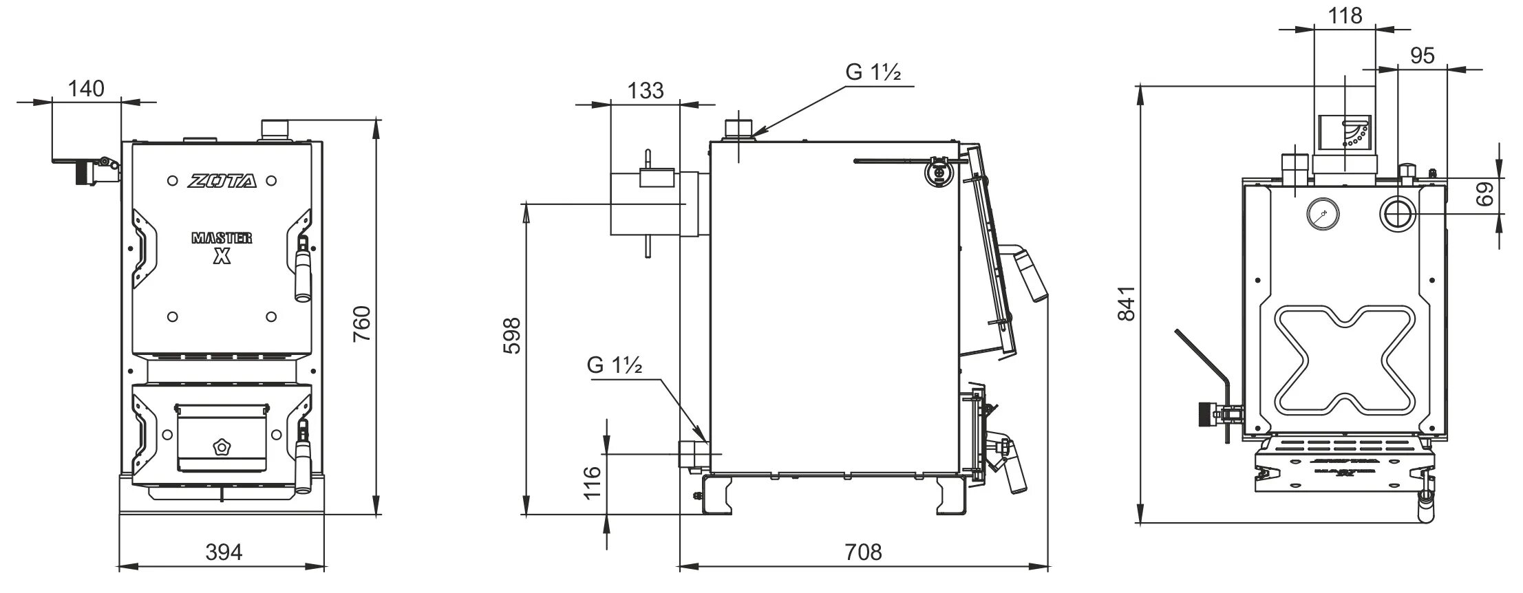
Котлы зота мастер х