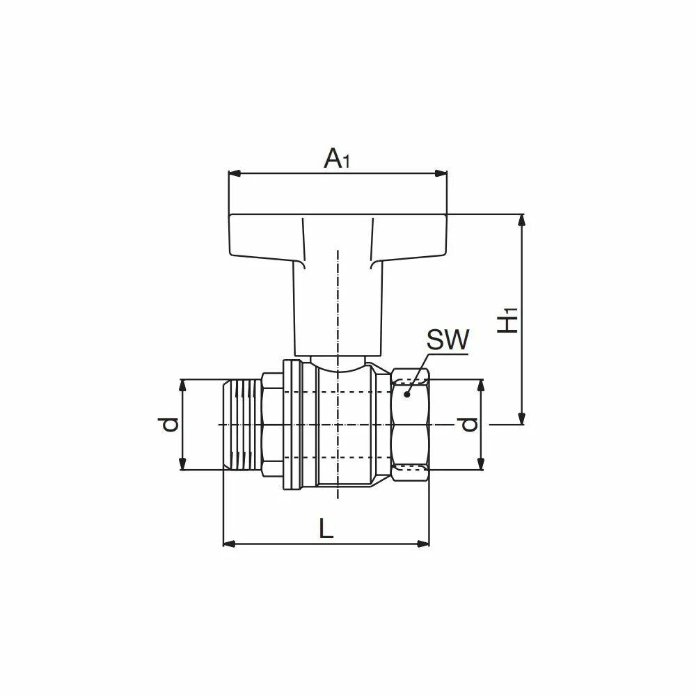
Кран oventrop optibal 1