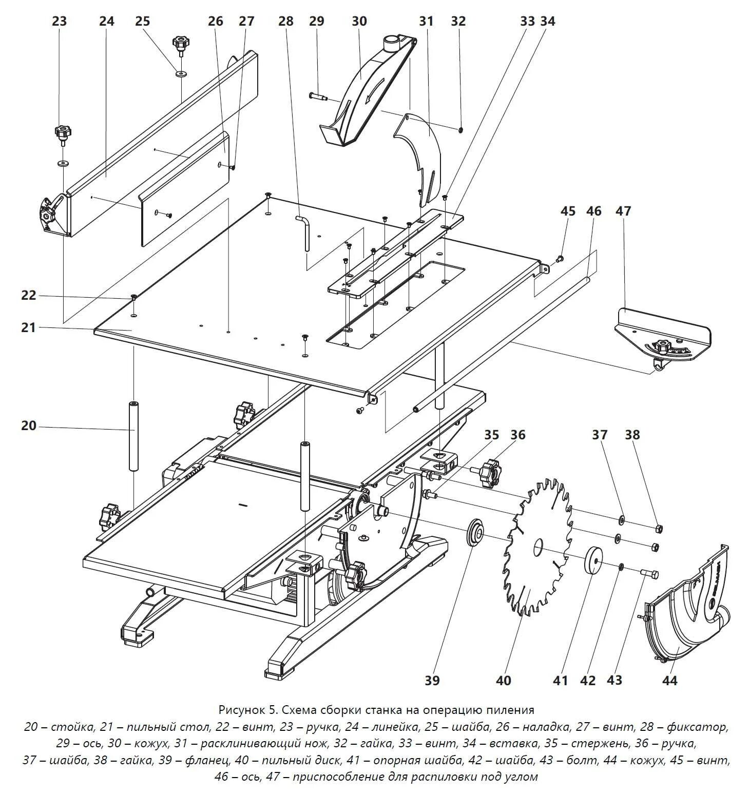
Крепление диска циркулярной пилы