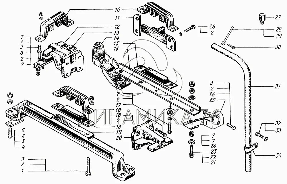
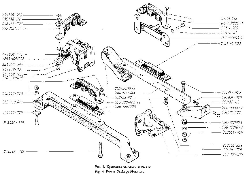
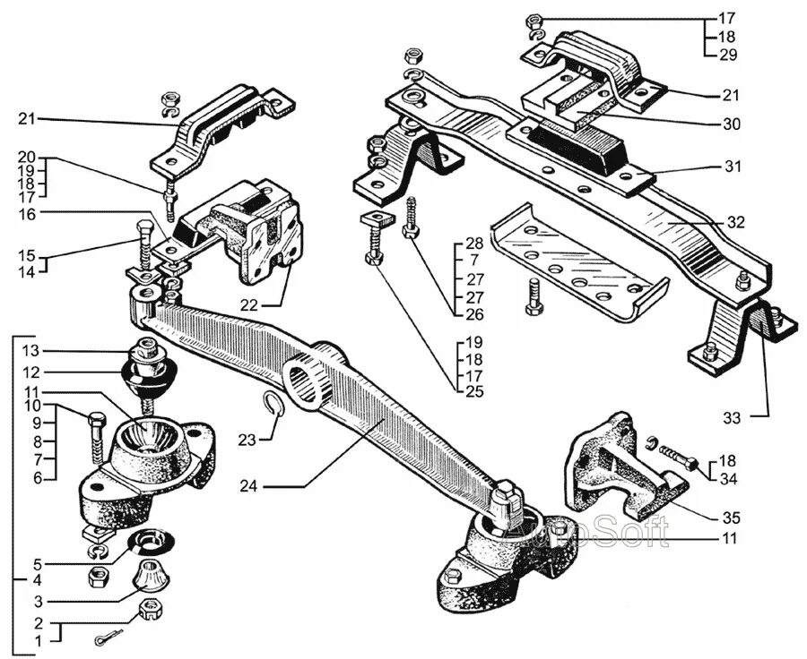
Крепление двигателя ямз 238