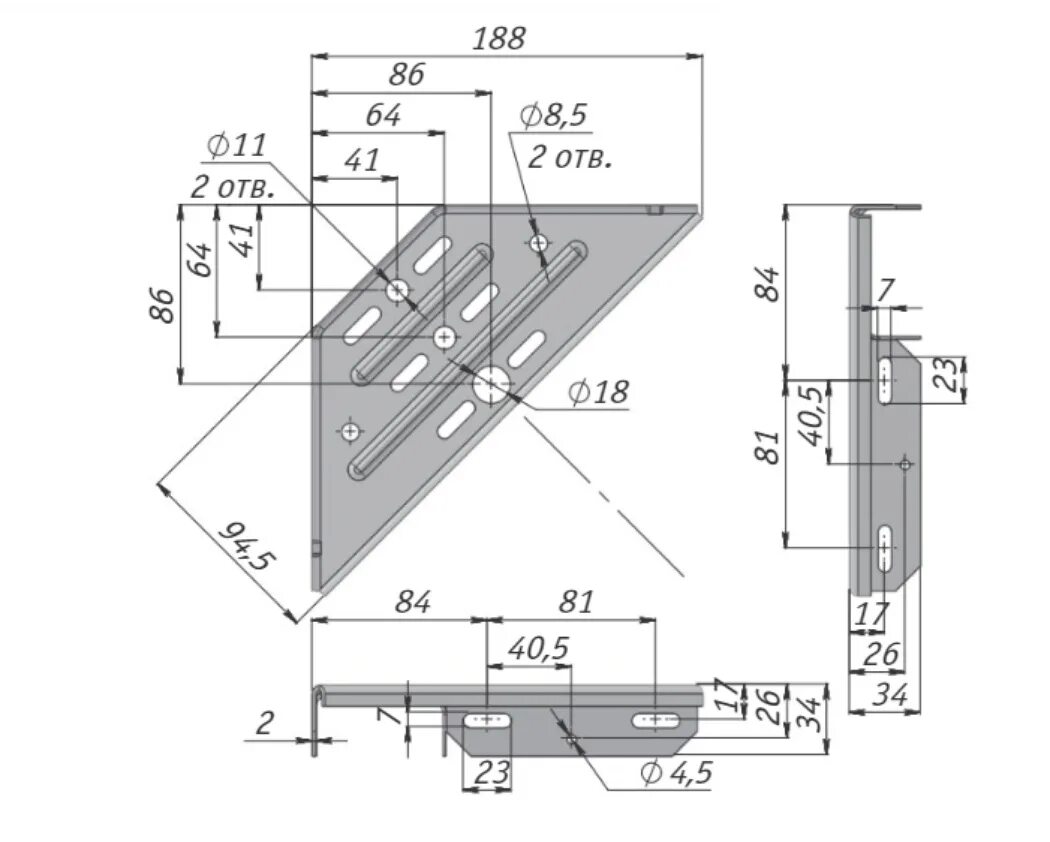
Кронштейн стяжки