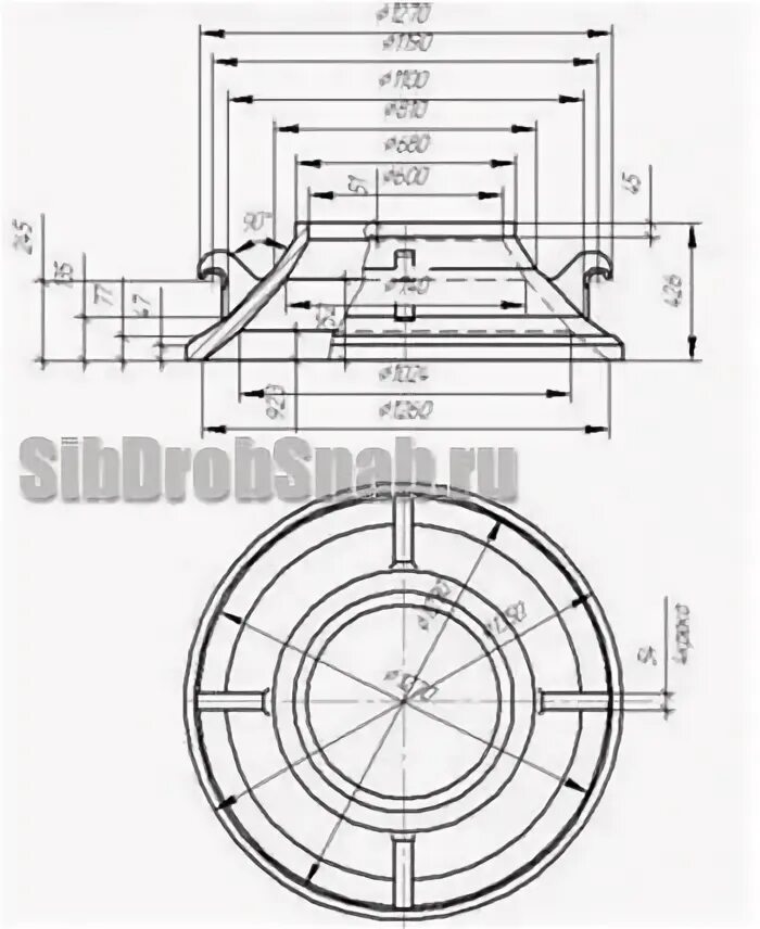
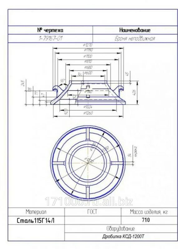
Ксд текст