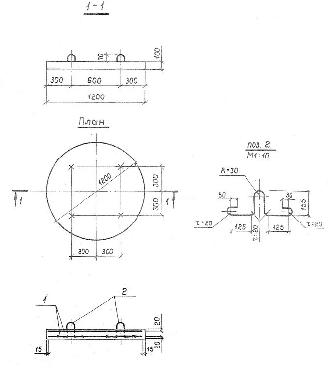
Кцд размеры