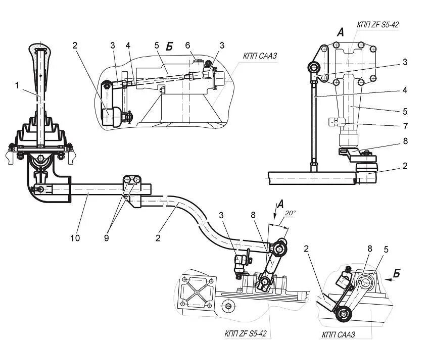
Кулиса кпп регулировка