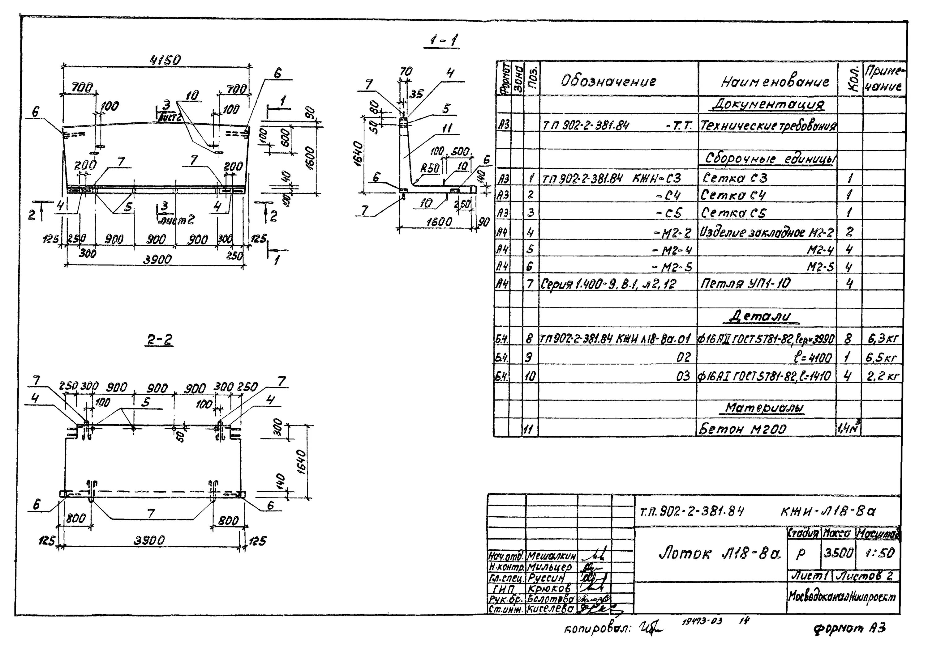
Л 18 11