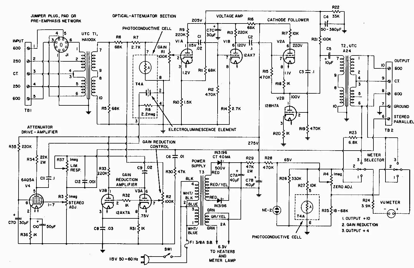
La 2a compressor