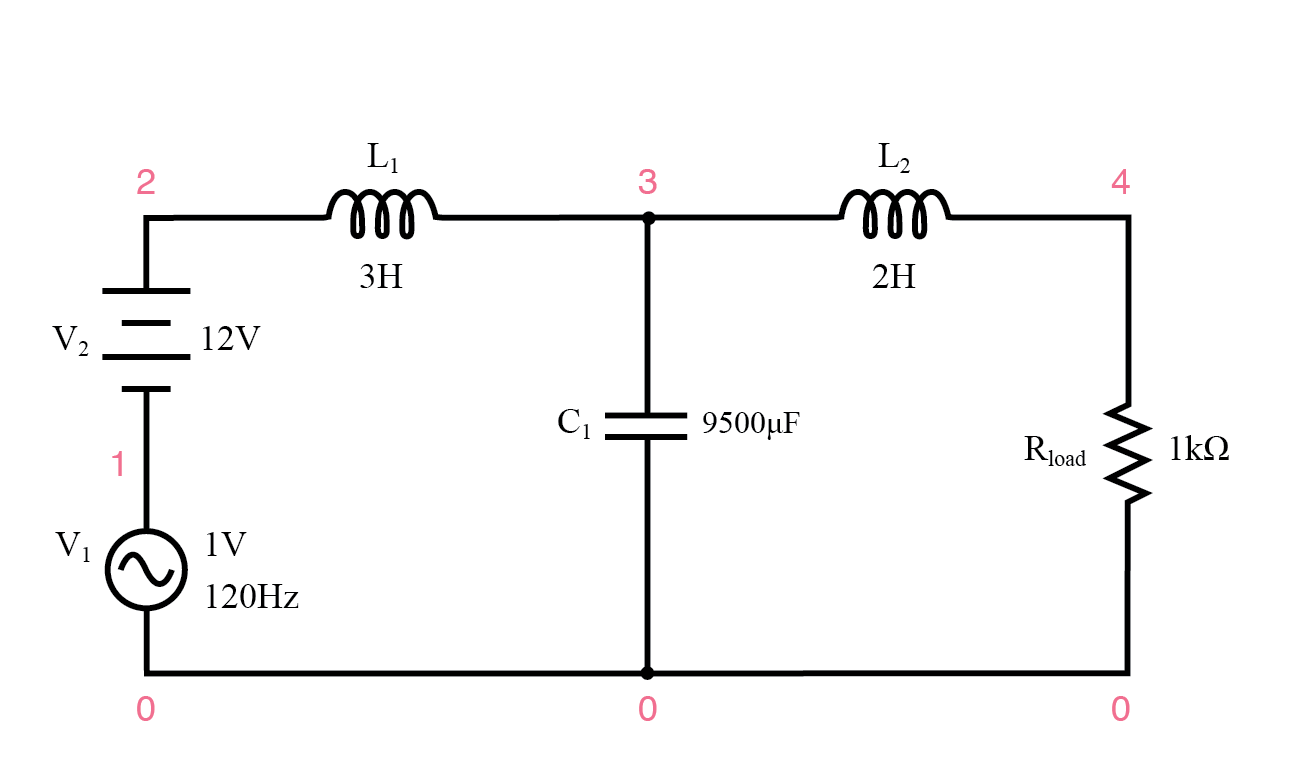
Lc rc фильтр