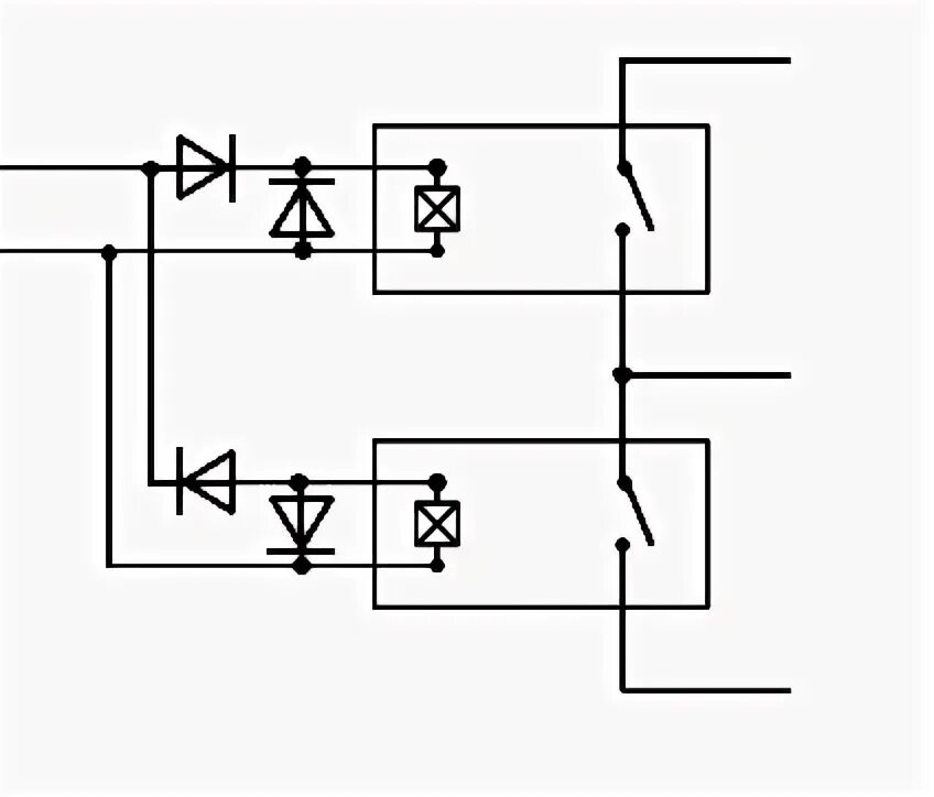
Ли реле 3