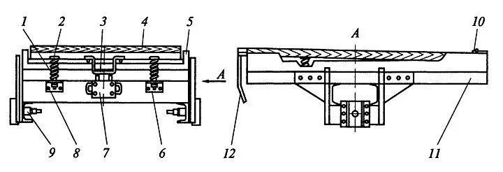
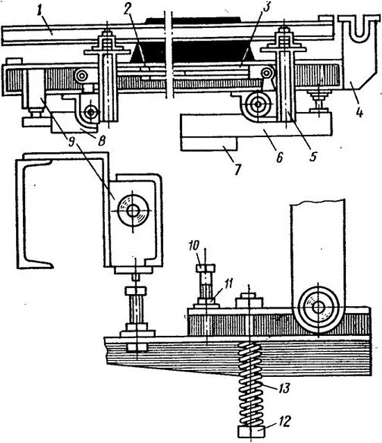
Лифты подвижным полом