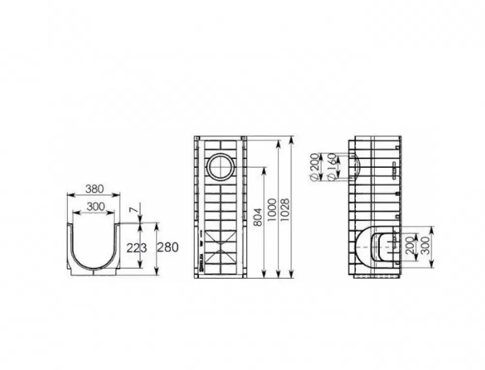
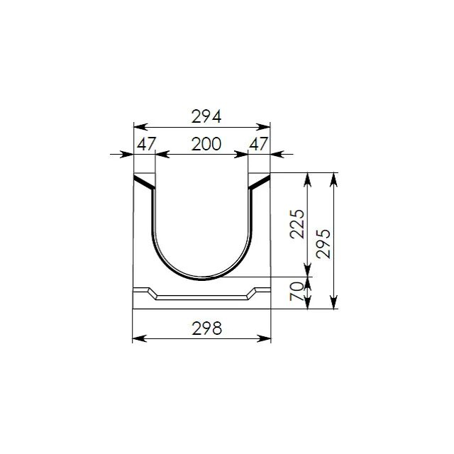
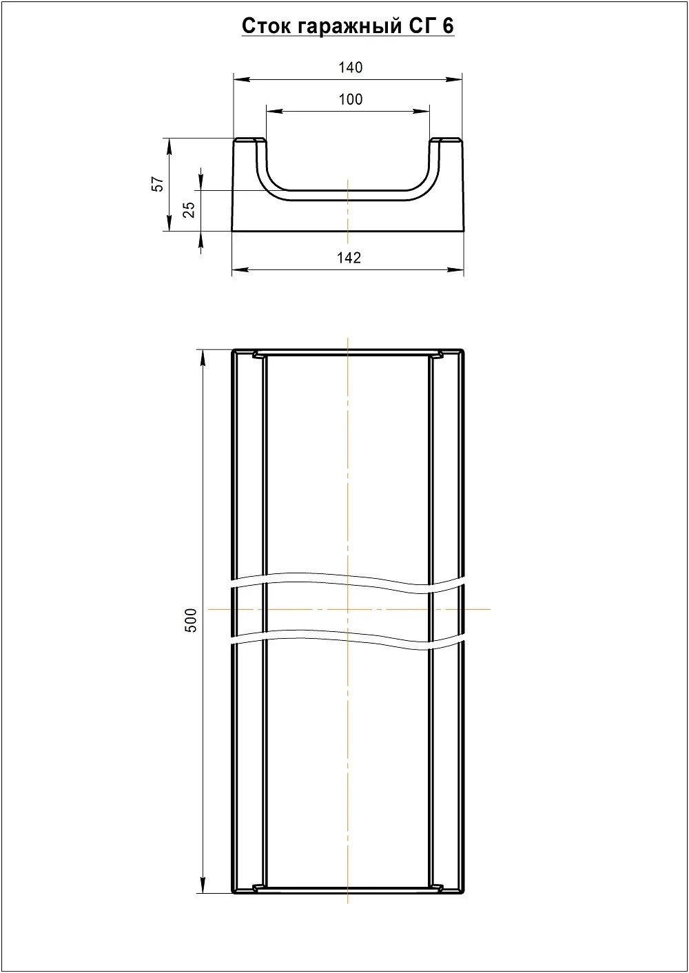
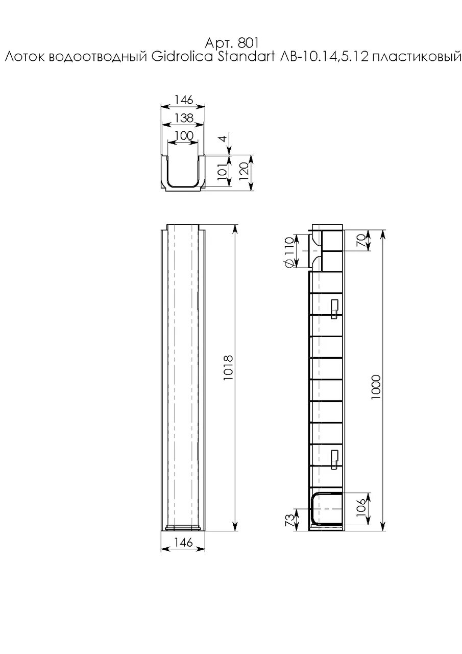
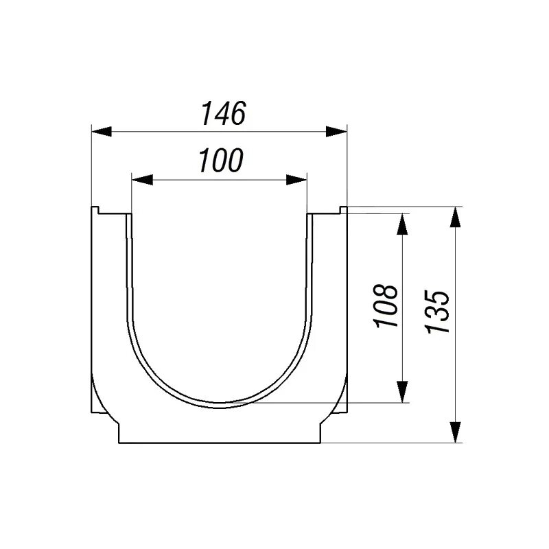
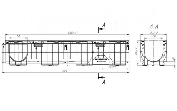
Лотки лв размеры