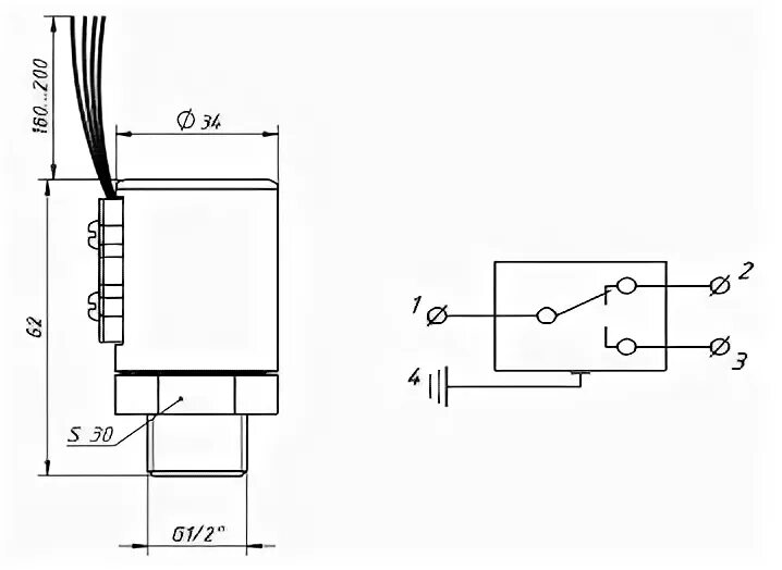
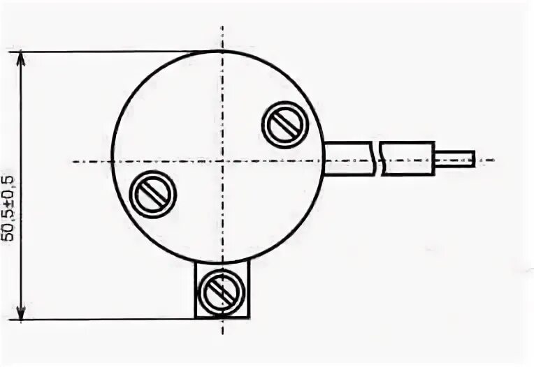
Лпт сдг 2 сигнализатор давления