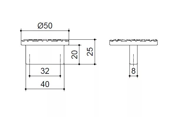
Мак март