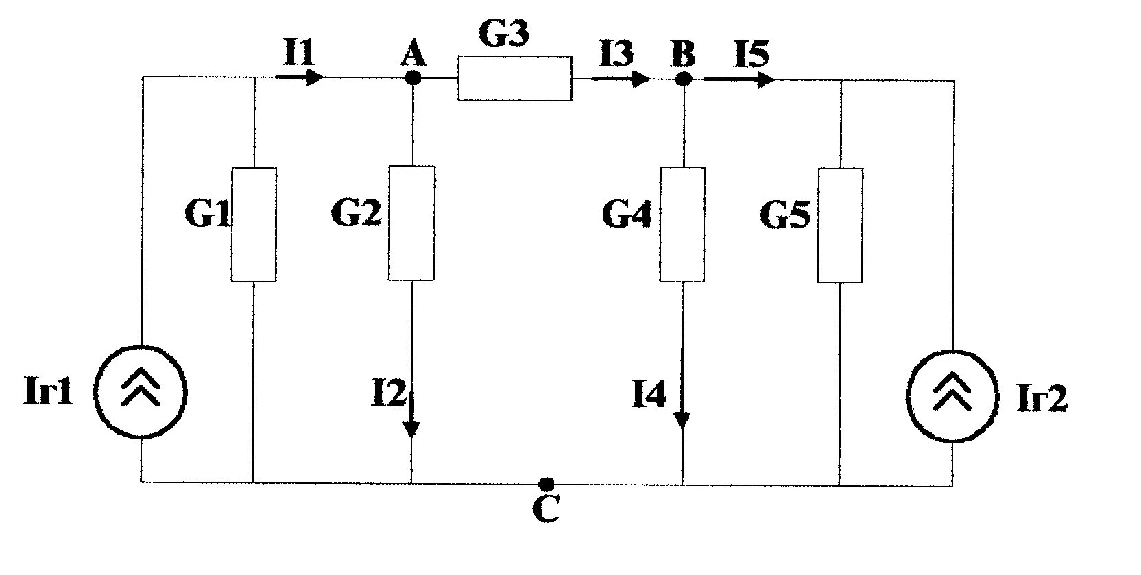
Метод потенциалов напряжение