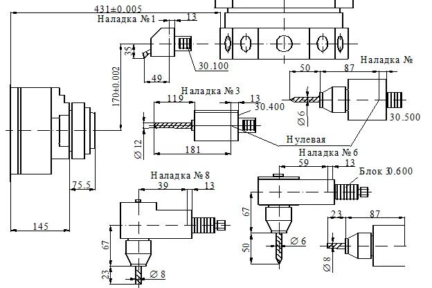
Методика наладки