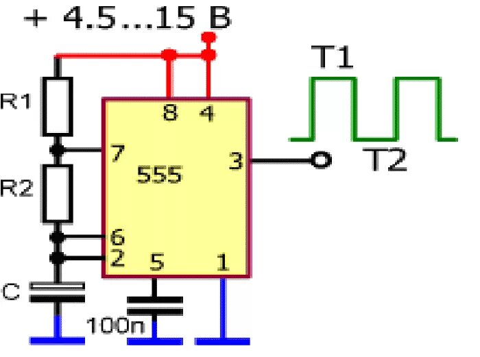
Микросхема 555